现货推荐
recommended
联系电话
recommended
联系人:商务接待
电 话:0755-8332 2522
传 真:0755-8364 8400
地 址:深圳市福田区彩田南路2010号中深花园A座六层608(岗厦地铁站E出口)

多维(MDT)TMR1302B超低功耗全极磁开关传感器
发布时间:2022-06-29 栏目行业:产品知识 浏览次数:
描述
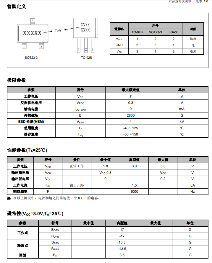
TMR1302B是一款集成了隧道磁阻(TMR)传感器和CMOS技术,为高灵敏度、高速、低功耗、高频响应、高精度应用而开发的 全极磁开关。TMR1302B采用TMR磁传感器和CMOS集成电路,包括电压发生器、比较器、施密特触发器和CMOS输出电路,能 将变化的磁场信号转化为数字电压信号输出。TMR1302B通过内部电压稳压器来提供温度补偿电源,并允许宽的工作电压范围。 TMR1302B以低工作电压、微安级的供电电流、高响应频率、宽的工作温度范围成为众多低功耗、高性能应用的理想选择。TMR1302B 采用两种封装形式:SOT23-3、TO-92S,所对应的产品型号分别为TMR1302BS、TMR1302BT。【选购电话:0755-8332 2522】
特性
(1)隧道磁电阻(TMR)技术
(2)1.5微安更低功耗
(3)1kHz高频率响应
(4) 全极磁开关
(5)高灵敏度,低开关点
(6)宽工作电压范围
(7)卓越的温度稳定性
(2)1.5微安更低功耗
(3)1kHz高频率响应
(4) 全极磁开关
(5)高灵敏度,低开关点
(6)宽工作电压范围
(7)卓越的温度稳定性
应用
(1)流量计,包括水表、气表和热量表
(2)接近开关
(3)速度检测
(4)线性及旋转位置检测
(2)接近开关
(3)速度检测
(4)线性及旋转位置检测

标签:
相关资讯
- 上海贝岭BLQC系列车规级高压MOS管|75V-170V AEC-Q101车规功率器件选型 2026.05.20
- 全矩阵工规高压功率MOS|上海贝岭BLC系列高可靠工业级器件产品综述 2026.05.20
- 强强联手|深圳泰德兰电子与日清纺微电子深度战略合作赋能产业升级 2024.05.24
- Wayon 车规级 TVS 二极管 瞬态过压保护芯片选型资料 2026.05.15
- 国产编码器芯片有哪些?茂捷M1001/M1020/M1040全系列详解 2026.05.15
- NJM 系列音频处理芯片|NJM2150 2190 2702 2703 型号参数及应用 2026.05.15
- Nisshinbo日清纺微电子NL8902双路、JFET输入类型的高音质音频运算放大器 2025.11.27
- 日清纺MUSES8921音频设备的双路、J-FET输入类型的高端音频运算放大器 开始上市 2025.11.20
- Nisshinbo日清纺微电子NP8700NCAE2P光电传感器4路复合稳压器 2025.11.19
- 单节锂离子电池保护IC “NB7123 系列”(高边FET驱动类型)和 “NB7130 系列”(低边FET驱动类 2025.08.22
- MUSES100适用于高品质音频设备的600mA输出、最大输入5.5V 的低噪声稳压器 2024.10.18
- 日清纺代理:引领电源管理与模拟IC技术的革新之路 2024.09.20
- 推荐10颗特瑞仕-Torex热门物料基本参数介绍及选型! 2024.09.13
- 充电芯片OTP和UTP什么意思? 2024.08.08
- Nisshinbo日清纺NA2100AFAE2D电压频率转换器 2024.07.29

































































