现货推荐
recommended
联系电话
recommended
联系人:商务接待
电 话:0755-8332 2522
传 真:0755-8364 8400
地 址:深圳市福田区彩田南路2010号中深花园A座六层608(岗厦地铁站E出口)

润石科技7MHz轨至轨输入和输出CMOS运算放大器RS621P2P4P,失调电压500uV
润石科技推出的RS62XP系列CMOS运算放大器可以低电压工作以及轨至轨输入和输出,出色的速度/功耗比,并提供出色的带宽(7MHz)和3.7V / us的压摆率。该系列运算放大器的单位增益稳定,具有超低输入偏置电流。RS621P、RS622P和RS624P运放具有超低的失调电压,在环温为25°C、Vs = 5V且Vcm = Vs / 2的情况下,失调电压可以保证不超过±0.5mV。
该器件非常适合传感器接口、有源滤波器和便携式应用。RS62X系列运算放大器在2.5V至5.5V的单电源或双电源下的额定运行温度范围为 -40°C至+125°C。
特性:
• 高增益带宽:7MHz
• 轨至轨输入和输出
• Vos最大值为±0.5mV
• 当Vs=5.5V时,输入电压范围:-0.1V至+5.6V
• 电源范围:+2.5V至+5.5V
• 替代RS621S/RS622S
• 最高额定温度为+125°C
• 微型封装:SOT23-5
应用范围:
• 传感器
• 光电二极管放大
• 有源滤波器
• 实验设备
• 驱动A/D转换器
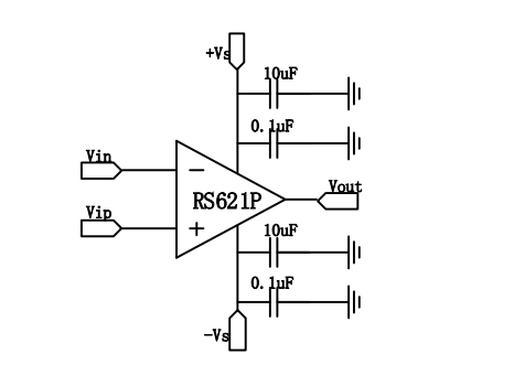
引脚配置:

应用笔记:
RS621P、RS622P,RS624P是高精度轨至轨的运算放大器,可以在2.5V至5.5V(±1.25V至±2.75V)的单电源电压下正常运行工作。
当RS621P,RS622P,RS624P运放的供电电源电压高于7V(绝对值的最大值)很可能会造成器件的永久损坏。轨至轨输入和输出摆幅大大增加了动态范围,特别适用于在低电源应用中。
布局指南:
好的布局应用要求在电源引脚近旁放置一个0.1uF电容器。应使用良好的印刷电路板(PCB) 布局规范,走线尽可能的简短, 如果可能,请使用PCB接地平面,并将表面安装元件放置在尽可能靠近器件引脚的位置。 在每个电源引脚和接地端之间连接低ESR 0.1μF 陶瓷旁路电容器,放置位置尽量靠近器件。这些准则应适用于整个模拟电路,以提高性能并提供诸如降低EMI敏感性的好处。

相关资讯
- Nisshinbo日清纺微电子NL8902双路、JFET输入类型的高音质音频运算放大器 2025.11.27
- 日清纺MUSES8921音频设备的双路、J-FET输入类型的高端音频运算放大器 开始上市 2025.11.20
- Nisshinbo日清纺微电子NP8700NCAE2P光电传感器4路复合稳压器 2025.11.19
- 单节锂离子电池保护IC “NB7123 系列”(高边FET驱动类型)和 “NB7130 系列”(低边FET驱动类 2025.08.22
- MUSES100适用于高品质音频设备的600mA输出、最大输入5.5V 的低噪声稳压器 2024.10.18
- 日清纺代理:引领电源管理与模拟IC技术的革新之路 2024.09.20
- 推荐10颗特瑞仕-Torex热门物料基本参数介绍及选型! 2024.09.13
- 充电芯片OTP和UTP什么意思? 2024.08.08
- Nisshinbo日清纺NA2100AFAE2D电压频率转换器 2024.07.29
- 面向高音质音频的600mA超低噪声LDO “MUSES”系列中首款适合高音质的电源IC “MUSES100”新品 2024.07.29
- 润石精密轨到轨IO CMOS运算放大器RS621K、RS622K和RS624K,增益带宽7MHz 2024.07.23
- 光伏逆变器上的电子元气件选型推荐 2024.06.25
- 可穿戴生物传感器推荐选型方案 2024.04.29
- 日清纺微电子最新新款芯片选型 2024.04.26
- 电流模式、驱动MOSFET的升压/回扫型开关稳压器IC NJW1871A系列 2024.03.04

































































