日益严重的城市化、交通拥堵、空气质量差以及缺乏交通工具,都要求人们负担得起以及清洁的交通替代品.由于电机拖动系统具有使用简单、生产维护成本低、高能效等优势,所以以电能驱动的新能源电动代步工具已经逐渐成为产业主体.我国轻型电动车(以两轮和三轮为主)市场规模巨大,使用场景广泛.
上海贝岭轻型电动车驱动器应用解决方案

日益严重的城市化、交通拥堵、空气质量差以及缺乏交通工具,都要求人们负担得起以及清洁的交通替代品.由于电机拖动系统具有使用简单、生产维护成本低、高能效等优势,所以以电能驱动的新能源电动代步工具已经逐渐成为产业主体.我国轻型电动车(以两轮和三轮为主)市场规模巨大,使用场景广泛.
主流轻型电动车驱动器产品使用矢量控制方案.技术发展方向如下:
(1)更高的功率密度,减小体积,降低物料成本;
(2)更高的开关频率,提高矢量控制精度,提高系统动态性能.

产品特点:
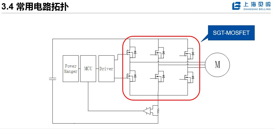
SGT-MOSFET
•RDS(ON)小,通态损耗低
•Vth一致性高,有助于多管并联
•极低的QG ,卓越的QG * RDS(ON)
•EAS性能好,抗雪崩能力强
















